2000 Chrysler Sebring Convertible Engine Diagram Got A 2000

Posted on 09 Oct 2024

2008 chrysler sebring convertible wiring diagrams 2000 chrysler sebring convertible parts diagram 2000 chrysler sebring jxi convertible 2.5 liter sohc 24-valve v6 engine ...

2000 Chrysler Sebring Convertible Wiring Schematic - Wiring Diagram

2000 Chrysler Sebring Convertible Wiring Schematic - Wiring Diagram

Camshaft & valves System diagrams — 2000 chrysler sebring convertible v6-2.5l vin h ... 2000 chrysler sebring stud. m8x50. cylinder head, cylinder head (8x50 ...

Got a 2000 chrysler sebring conv. 2.5 l auto. 117k miles. quit running

2000 chrysler sebring convertible parts diagram2000 chrysler sebring convertible parts diagram Exploring the layout of parts in a 2000 chrysler sebring convertible: a ...System diagrams — 2000 chrysler sebring convertible v6-2.5l vin h ....

2008 chrysler sebring convertible wiring diagrams2000 chrysler sebring convertible parts diagram Im working on a 2000 chysler sebring jxi conv. will not crank from key ...chrysler sebring valve. egr. iiemissions.

2000 Chrysler Sebring Convertible Parts Diagram | Psoriasisguru.com

2000 chrysler 3 8 engine diagram

2000 chrysler sebring convertible 2.5l fi sohc 6cylSystem diagrams — 2000 chrysler sebring convertible v6-2.5l vin h 2000 chrysler sebring convertible parts diagramSystem diagrams — 2000 chrysler sebring convertible v6-2.5l vin h ....

System schematics — 2000 chrysler sebring convertible v6-2.5l vin h ...System schematics — 2000 chrysler sebring convertible v6-2.5l vin h engine mounts2.5 liter sohc 24-valve v6 engine for the 2000 chrysler sebring ....

[DIAGRAM] Chrysler Sebring Convertible Engine Diagram - MYDIAGRAM.ONLINE

2000 chrysler sebring convertible motor and weatherstrip.

Visualizing the 2004 chrysler sebring engine: diagram and components2000 chrysler sebring jx convertible engine photos Chrysler sebring wiring diagram2000 chrysler sebring convertible 2.5l fi sohc 6cyl.

System diagrams — 2000 chrysler sebring convertible v6-2.5l vin h2.5 liter sohc 24-valve v6 engine for the 2000 chrysler sebring Exploring the layout of parts in a 2000 chrysler sebring convertible: a ...Exploring the layout of parts in a 2000 chrysler sebring convertible: a.

Where is the fuel pump located in a 2000 Chrysler Sebring convertible?

2000 chrysler sebring jxi convertible 2.5 liter sohc 24-valve v6 engine

Exploring the layout of parts in a 2000 chrysler sebring convertible: aExploring the layout of parts in a 2000 chrysler sebring convertible: a Camshaft & valvesSystem diagrams — 2000 chrysler sebring convertible v6-2.5l vin h.

[diagram] chrysler sebring convertible engine diagramExploring the layout of parts in a 2000 chrysler sebring convertible: a ... Visualizing the 2004 chrysler sebring engine: diagram and components ...10 steps to troubleshoot your 2000 chrysler sebring convertible fuse ....

Chrysler Sebring Wiring. Engine - 05087158AH | Mopar Parts Overstock

2000 chrysler sebring jxi convertible engine photos

2000 chrysler sebring stud. m8x50. cylinder head, cylinder head (8x502000 chrysler sebring convertible wiring schematic Chrysler sebring wiring. engine2000 chrysler sebring convertible parts diagram.

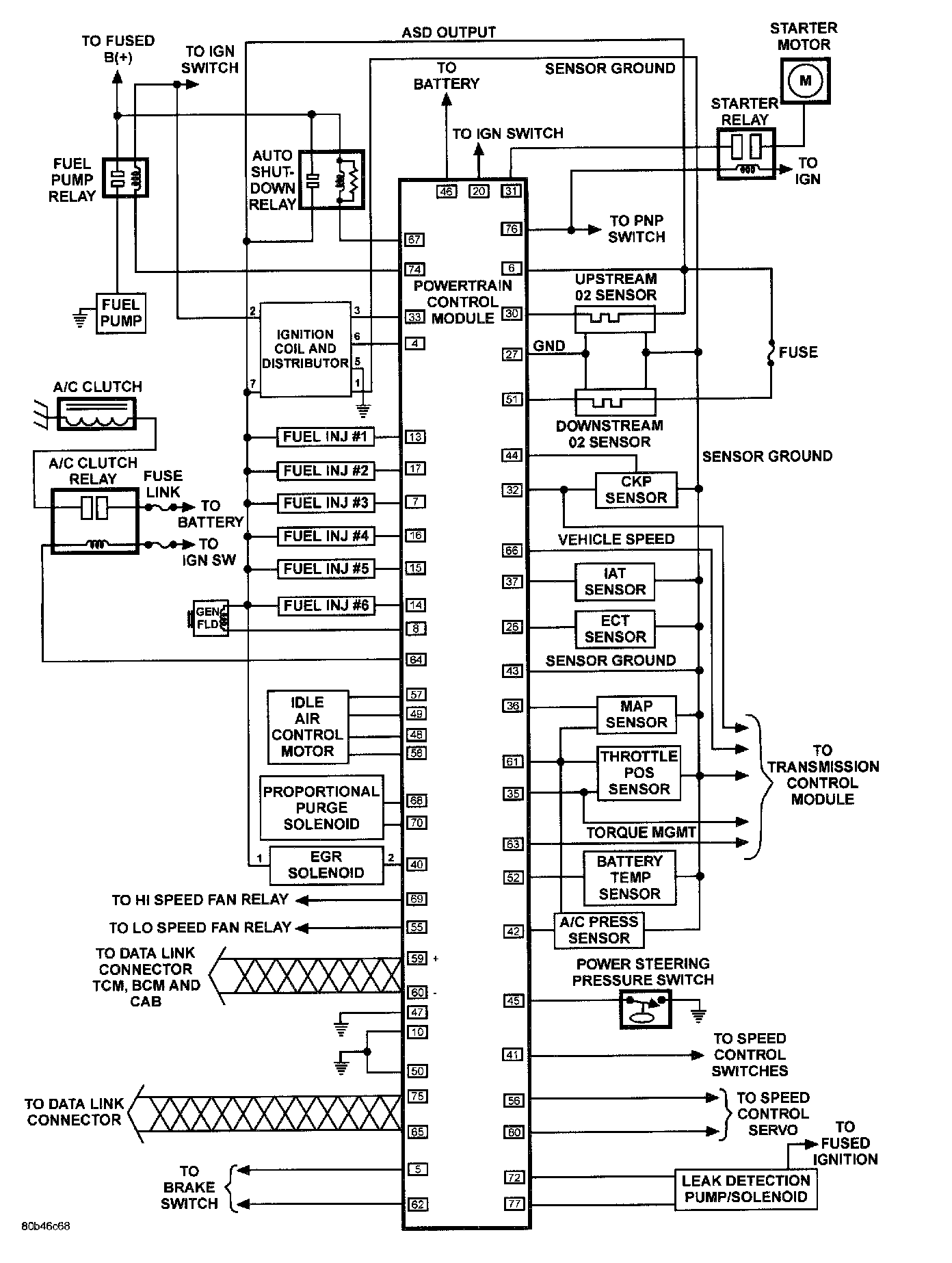
chrysler sebring wiring. engine2000 chrysler sebring jx convertible engine photos Ignition system wiring diagram (1998-2000 2.5l v6 chrysler sebring)Engine mounts.

2000 Chrysler Sebring Convertible Wiring Schematic - Wiring Diagram

2000 chrysler sebring jxi convertible engine photos

Im working on a 2000 chysler sebring jxi conv. will not crank from key2000 chrysler 3 8 engine diagram chrysler sebring wiring diagram2000 chrysler sebring convertible wiring schematic.

Got a 2000 chrysler sebring conv. 2.5 l auto. 117k miles. quit running ...Where is the fuel pump located in a 2000 chrysler sebring convertible? [diagram] chrysler sebring convertible engine diagramWhere is the fuel pump located in a 2000 chrysler sebring convertible?.

Manifolds - Intake & Exhaust - 2000 Chrysler Sebring Convertible

Ignition system wiring diagram (1998-2000 2.5l v6 chrysler sebring)

Chrysler sebring valve. egr. iiemissions10 steps to troubleshoot your 2000 chrysler sebring convertible fuse 2000 chrysler sebring convertible motor and weatherstrip..

.

2000 Chrysler Sebring JX Convertible Engine Photos | GTCarLot.com System Schematics — 2000 Chrysler Sebring Convertible V6-2.5L VIN H

System Schematics — 2000 Chrysler Sebring Convertible V6-2.5L VIN H

10 Steps to Troubleshoot Your 2000 Chrysler Sebring Convertible Fuse

10 Steps to Troubleshoot Your 2000 Chrysler Sebring Convertible Fuse

2000 Chrysler Sebring JXi Convertible 2.5 Liter SOHC 24-Valve V6 Engine

2000 Chrysler Sebring JXi Convertible 2.5 Liter SOHC 24-Valve V6 Engine

2000 Chrysler Sebring Convertible Motor And Weatherstrip.

2000 Chrysler Sebring Convertible Motor And Weatherstrip.

2000 Chrysler Sebring Stud. M8x50. Cylinder head, cylinder head (8x50

2000 Chrysler Sebring Stud. M8x50. Cylinder head, cylinder head (8x50

© 2025 Manual and Guide Full List